| 产品标题:TGA34-S-08手转阀,stnc手转阀,索诺天工控制元件 产品ID:VIB20120519163413734 品 牌:STNC索诺天工 所在地:中国 上海 价 格:面议 (大量采购价格面议) 库存状态:货期待查 更新日期:2025-4-24 4:20:11 咨询电话:(+86)021-51699285 咨询Q Q: 2695337323 |
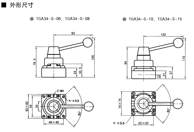
TGA34-S-06,TGA34-S-08,TGA34-S-10,TGA34-S-15,TGA34-S-06E,TGA34-S-08E,TGA34-S-10E,TGA34-S-15E


技术参数
|
规格、项目 |
功能 |
接管口径 |
通径(mm) |
工作介质 |
使用压力范围 |
控制方式 |
润滑 |
介质温度 |
|
TGA34-S-06 |
三位四通 |
G1/8 |
6 |
空气 |
0~1.0MPa |
手动式 |
不需要 |
-5~60℃ |
|
TGA34-S-08 |
G1/4 |
8 | ||||||
|
TGA34-S-10 |
G3/8 |
10 | ||||||
|
TGA34-S-15 |
G1/2 |
15 | ||||||
|
TGA34-S-06E |
G1/8 |
6 | ||||||
|
TGA34-S-08E |
G1/4 |
8 | ||||||
|
TGA34-S-10E |
G3/8 |
10 | ||||||
|
TGA34-S-15E |
G1/2 |
15 |

