产品展示
9132930,topair双联阀,台湾topair,topair气缸,topair油压缸
首页 / 产品中心 / 特殊产品
产品标题:9132930,topair双联阀,台湾topair,topair气缸,topair油压缸
产品ID:VIB20150724153127734
品  牌:TOPAIR
所在地:中国 
价  格:面议 (大量采购价格面议)
库存状态:货期待查
更新日期:2025-10-22 22:52:31
咨询电话:(+86)021-51699285
咨询Q Q: 2695337323
产品简述

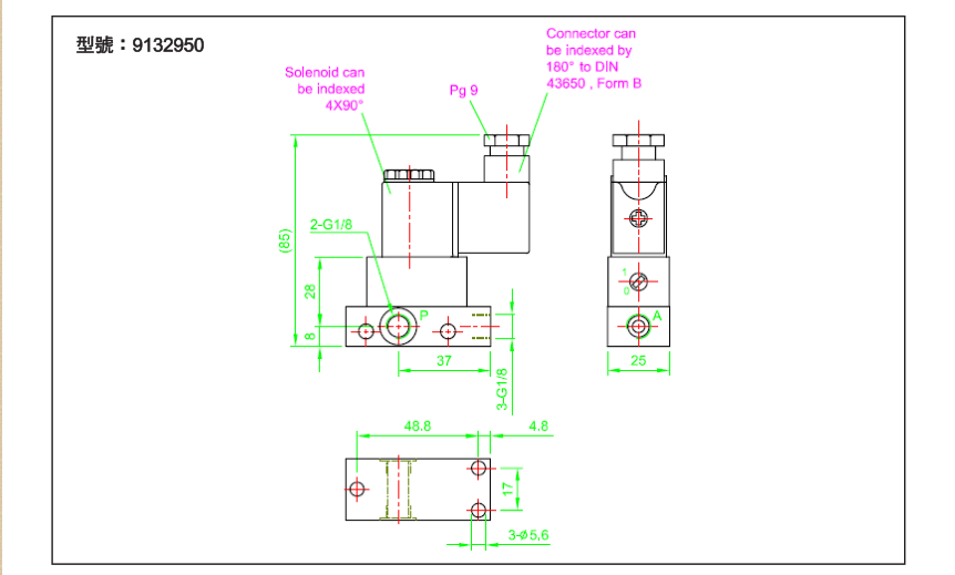
内径直径 1.3
线圈切换动作
本电磁阀为常闭型
配管口籼径 G1/4, G1/8
操作压力:最大 10 bar
特 性
˙ 体积小
˙ 线圈可依电压自由选配
˙ 可搭配真空器使用
˙ 具有手动开关
˙ 具有钳入式手动开关 ( 选配 )
说 明 ( 标准型 )
˙ 本电磁阀可用于经过滤及给油或不给油之空气下动作
˙ 进出气方向:固定
˙ 操作温度范围:-10 ℃ ~ +60 ℃
˙ 本体材质:铝合金
˙ 止漏橡胶材质:NBR

产品详情


* 測試於 6 bar 時 VDI 3290 潤滑油及 DC 圈線
‧ 選配:嵌入式手動開關
‧ 鎖緊線圈之力量範圍 0.2 到最大 0.5 Nm